Описание
Характеристики
Отзывы
Описание
_
Характеристики
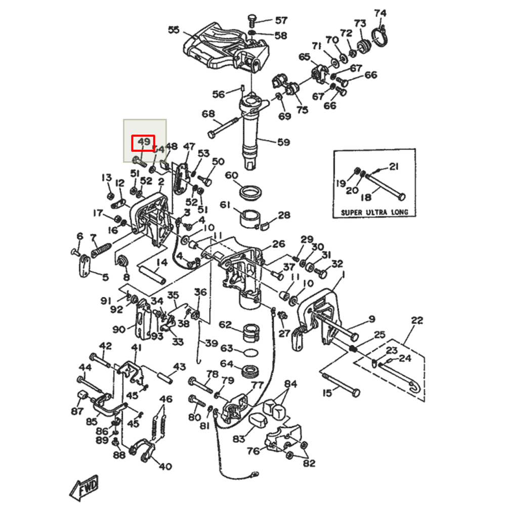
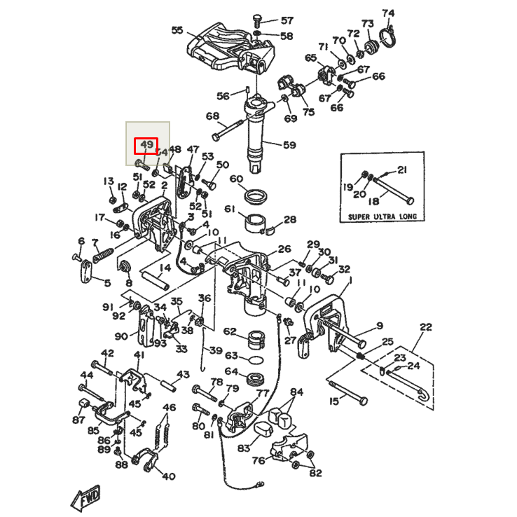
Производитель
YAMAHA
GTIN
2000000142180
Артикул
90109-06M03
Отзывы
Отзывов еще никто не оставлял
