Описание
Характеристики
Отзывы
Описание
_
Характеристики
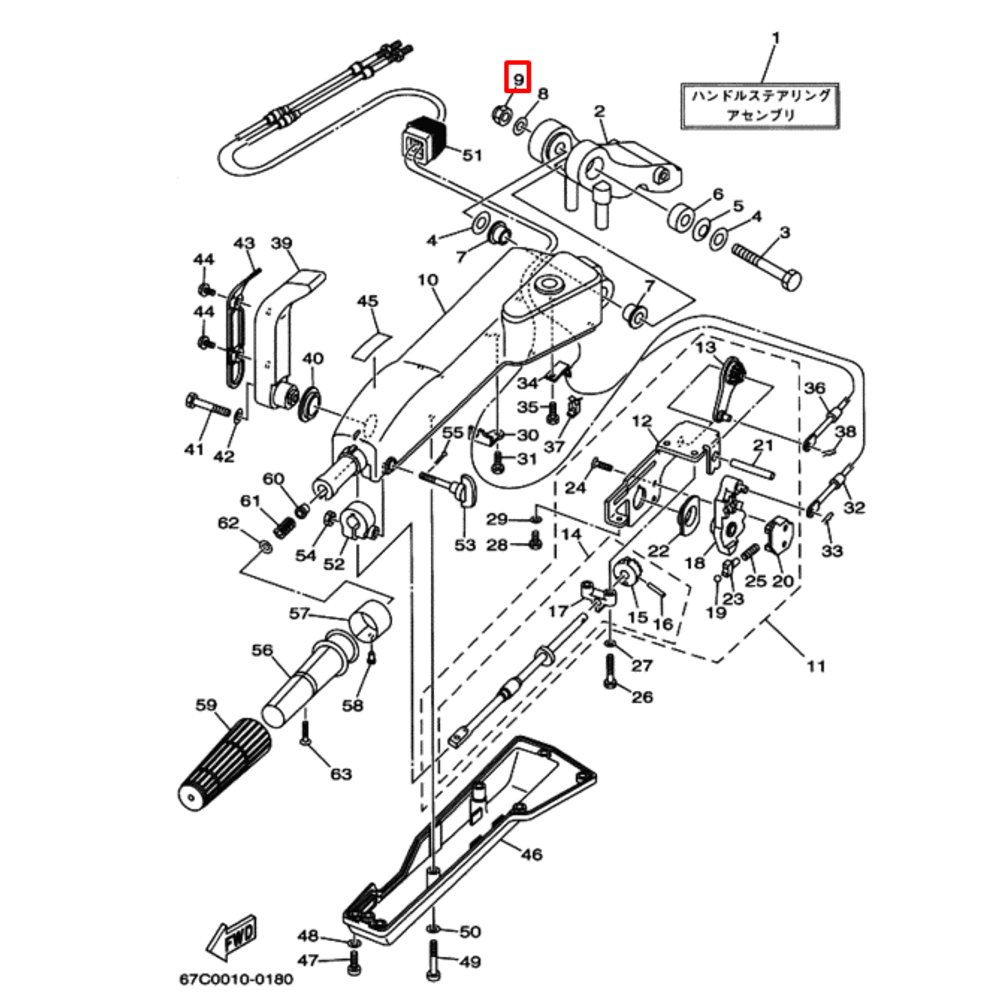
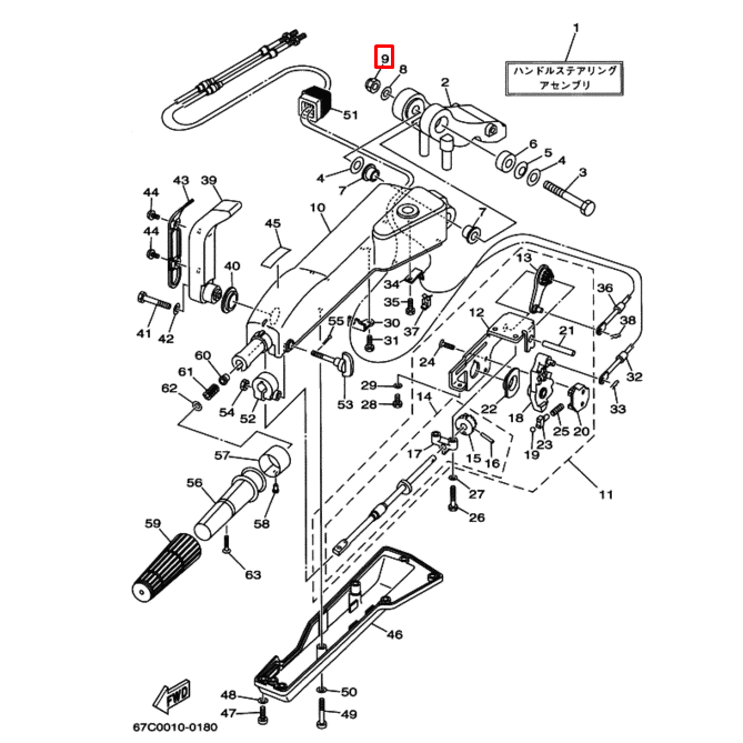
Производитель
YAMAHA
GTIN
2000000140865
Артикул
90185-12M12
Отзывы
Отзывов еще никто не оставлял
