Описание
Характеристики
Отзывы
Описание
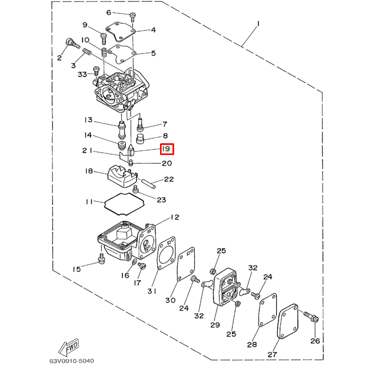
Наименование: Игла поплавковой камеры карбюратора Yamaha 3, 6-15, F9.9-40
Для моторов: Yamaha 3, 6-15, F9.9-40
OEM номера: 6G1-14546-00; 6AH-14546-00; F9.9E-01.06.01.07
Производитель: PREMARINE
Характеристики
Производитель
PREMARINE
Длина
5.0000
Высота
1.0000
Вес, кг
0.05 кг
GTIN
2000000166544
Артикул
6G1-14546-00-K
Ширина
1.0000
Отзывы
Отзывов еще никто не оставлял
