Описание
Характеристики
Отзывы
Описание
_
Характеристики
Производитель
Nano Protech
Длина
30.0000
Высота
2.0000
Вес, кг
0.15 кг
GTIN
2000000143026
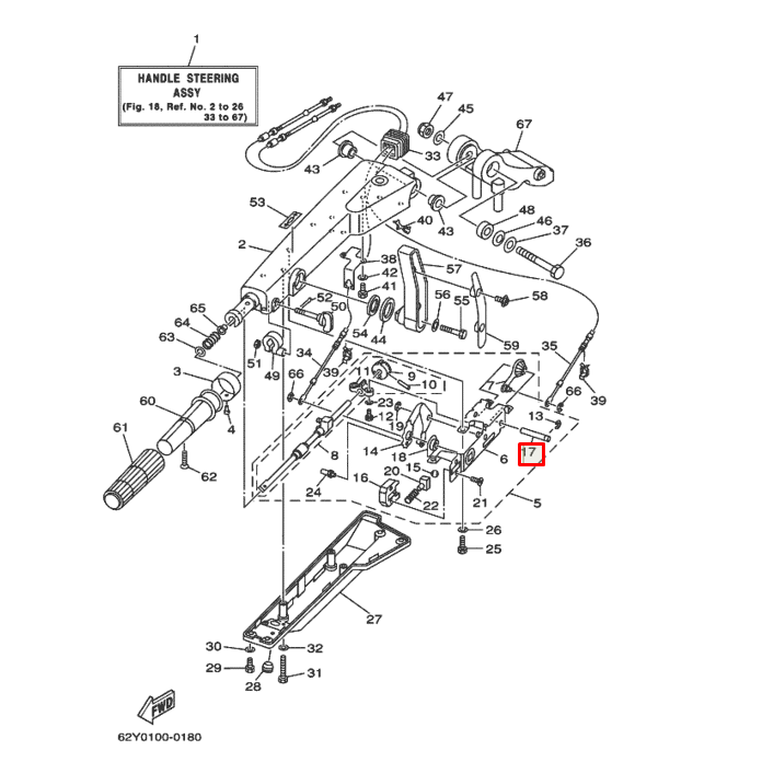
Артикул
63D-42153-00
Ширина
2.0000
Отзывы
Отзывов еще никто не оставлял
