Описание
Характеристики
Отзывы
Описание
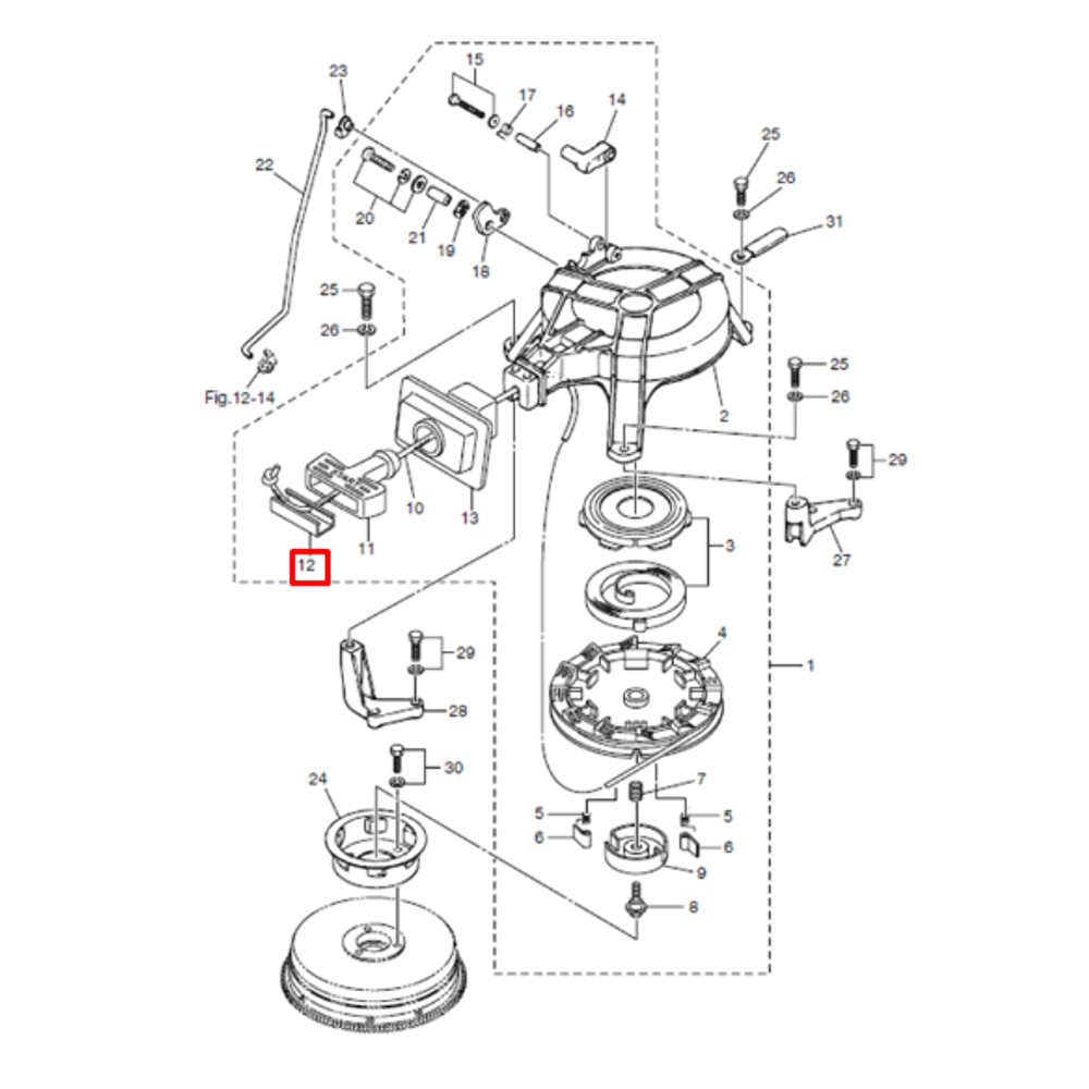
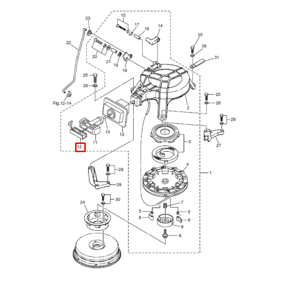
Наименование: Заглушка ручки ручного стартера Tohatsu 8-9.8
Для моторов: Tohatsu 8-9.8
OEM номер: 3B2-05131-0; PNFM40E-07022; 3B2051310
Производитель: YUELANG
Характеристики
Производитель
TAIZHOU YUELANG POWER TECHNOLOGY
Длина
10.0000
Высота
2.0000
Вес, кг
0.02 кг
GTIN
2000000299501
Артикул
3B2-05131-0-K
Ширина
10.0000
Отзывы
Отзывов еще никто не оставлял
