Описание
Отзывы
Описание
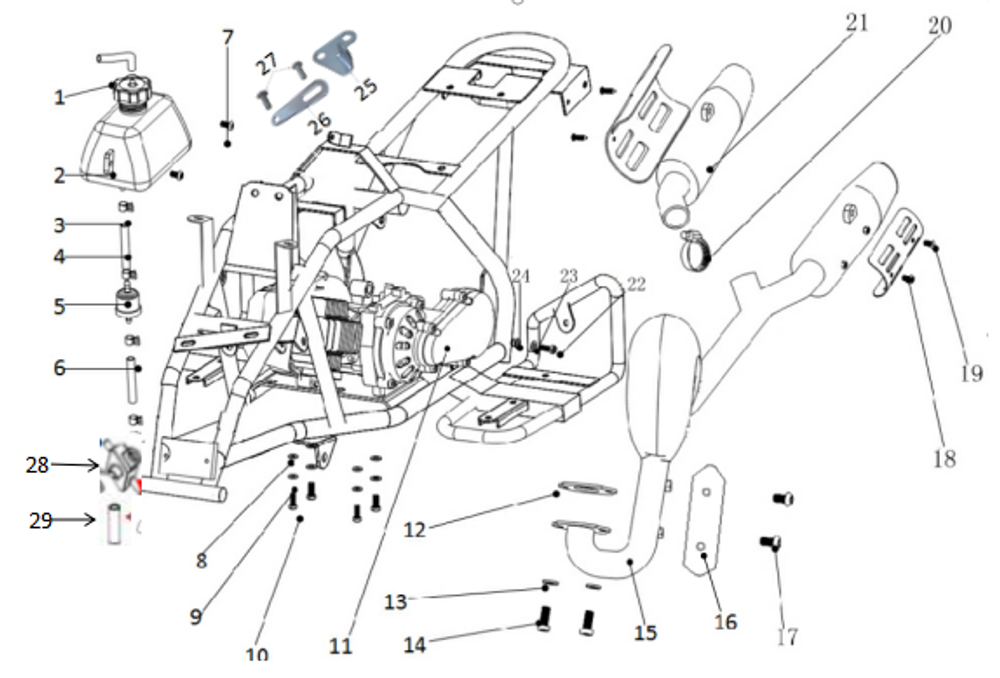
| № п/п | Код МОТАХ | Наименование МОТАХ |
| J-1 | 00-00011600 | Шланг вентиляции топливного бака φ5×φ8×240mm геккон бензин |
| J-2 | 00-00010897 | Бак топливный Х16 минигризлик с пробкой |
| J-3 | 00-00011754 | Хомут топливного шланга φ10 миникросс бензин |
| 00-00011752 | Хомут топливного шланга φ8 миникросс бензин | |
| J-4 | 00-00010898 | Шланг топливный до фильтра φ6*φ10*80mm /GEKKON 110/GRIZLIK MINI |
| J-5 | 00-00010899 | Фильтр топливный 2Т, Минигрызлик |
| J-6 | 00-00011602 | Шланг топливный φ5×φ8×150mm /GEKKON 110/GRIZLIK MINI |
| J-28 | 00-00011749 | Кран топливный механический миникросс бензин, геккон бензин |
| J-29 | 00-00011602 | Шланг топливный φ5×φ8×150mm /GEKKON 110/GRIZLIK MINI |
| J-11 | ||
| J-12 | 00-00010901 | Прокладка приемной трубы 2Т 50сс |
| J-15 | 00-00011741 | Труба выхлопная двойная с ручным запуском (включая вспомогательную трубу и пластину против ожогов в |
| J-16 | ||
| J-17 | ||
| J-20 | ||
| J-21 | ||
| J-19 | 00-00011816 | Лист-хвост с защитой от ожогов минигризлик бензин |
| J-25 | 00-00010226 | Кронштейн топливного бака X16 2021 1 |
| J-26 | 00-00010227 | Кронштейн топливного бака X16 2021 2 |
| J-7 | 00-00012089 | Болт шестигранный M6×12 |
| J-8 | 00-00012219 | Шайба Φ6*16*1.5 |
| J-9 | 00-00012222 | Шайба пружинна гровер Φ6 |
| J-10 | 00-00012080 | Болт с внутренним шестигранником M6*16 |
| J-13 | 00-00012222 | Шайба пружинна гровер Φ6 |
| J-14 | 00-00012086 | Болт шестигранный M6*20 |
| J-18 | 00-00012227 | Шестигранник с маленькой плоской головкой M6*8 |
| J-22 | 00-00012087 | Болт шестигранный M6*25 |
| J-23 | 00-00012219 | Шайба Φ6*16*1.5 |
| J-24 | ||
| J-27 | 00-00012091 | Болт шестигранный M6X12 |
Отзывы
Отзывов еще никто не оставлял
